Beschreibung
Praktischer Push-Knopf-Verschluss (Druckriegel) für dicke Möbeltüren 22 mm (55/64″) – 25 mm (63/64″), aus robustem Polyamid (PA, Nylon), Oberfläche: Elfenbein, SL-B251-I
Anwendung:
Push-Latch für Wohnmobil-Ausbau, Yacht-Innenausbau, Caravan-Möbel und vieles mehr.

Der Push-Knopf-Verschluss SL-B251-I hat einen Druckknopf mit einem stabilen Schieberiegel.
Seine kompakte Bauform benötigt nur eine 15-mm-Bohrung und steht kaum vor, was ein schlichtes Frontdesign ermöglicht.
Die integrierte Federmechanik hält die Tür mit etwa 16 kgf sicher geschlossen – selbst bei Vibrationen in Fahrzeug‐ oder Schiffsanwendungen.

Ein Distanzring erlaubt die Anpassung an Türstärken von 18 bis 21 mm und sorgt für spielfreien Sitz.
Das verschleißfeste Polyamid-Gehäuse ist leicht, korrosionsbeständig und unempfindlich gegenüber Feuchtigkeit.
Die hochwertigen Push-Knopf-Verschlüsse 140-060-016 passen unter anderem ideal zu:
- Ladenbau
- Messemöbel
- Möbeltüren
- Klappen
- Schranktüren
- Leichtbaumöbel
- Küchenoberschränke
- Wohnmobil-Ausbau
- Yacht-Innenausbau
- Caravan-Möbel
Material:
- Die Push-Knopf-Verschlüsse 140-060-016 werden aus robustem Polyamid (PA, Nylon) hergestellt
- Polyamid eignet sich ideal für Möbelbeschläge und Industriebeschläge, da es robust, korrosionsbeständig, geräuschdämpfend und gleitfähig ist, was langlebige und leicht bewegliche Beschläge ermöglicht.
Oberfläche:
- Elfenbein
- Elfenbeinfarbene Oberflächen schaffen eine warme und einladende Atmosphäre, die gleichzeitig dezent und elegant wirkt, ideal für Wohn- und Schlafzimmer
- Zudem lässt sich Elfenbein gut mit anderen Farben und Materialien kombinieren, wodurch es vielseitig einsetzbar ist und verschiedene Einrichtungsstile harmonisch ergänzt
Montage:
- Die Befestigung erfolgt mithilfe der sechs im Lieferumfang enthaltenen Schrauben (Pan-Head Spanplattenschraube 3 x 14 mm)
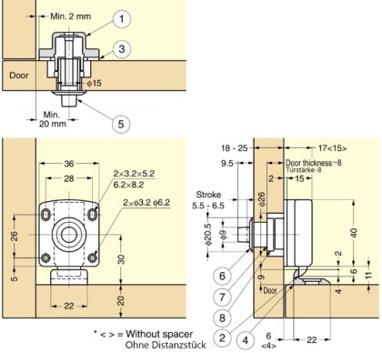
- Zuerst muss eine Hauptbohrung mit einem Durchmesser von ⌀15 mm (19/32″) durchgeführt werden
- Danach muss eine Gegenbohrung mit einem Durchmesser von 26 mm (1-1/32″) und einer Tiefe = Türstärke − 8 mm an der Türinnenseite durchgeführt werden
- Danach wird der Druckknopf mit der Mutter in der Bohrung befestigt
- Der Riegelkörper wird mit vier 3 x 14 mm Spanplattenschrauben in die vorgezeichneten Schlitzlöcher geschraubt, wobei der Distanzring je nach Türdicke eingesetzt wird
- Anschließend wird die Gegenplatte stirnseitig auf dem Korpus ausgerichtet und verschraubt, sodass der Riegel sauber einrastet
- Zum Schluss wird die Schließfunktion geprüft und ggf. über die Langlöcher feinjustiert (für weitere Details, s. Montagezeichnung)

Eigenschaften:
- Gewicht: 23,5 g
- Belastbarkeit (Tragkraft): 156,8 N (16 kp)
- Größe: 26 mm (1-1/32″)
- Lieferbar in Farben: Elfenbein und Braun
- Lieferbar für normale Türen (18-21 mm) und für dicke Türen (22-25 mm)
- einfache Montage, praktisch, stabil
- Hält Türen durch Federkraft sicher geschlossen
- Geräuscharmes Öffnen durch Knopfdruck
- Einfache Anpassung an unterschiedliche Türstärken
- Korrosionsbeständiges, schlagfestes Polyamid
- Kompakte Einbautiefe, ideal für dünne Fronten
- Hohe Haltekraft von rund 16 kgf
- Geeignet für Möbel, Fahrzeuge und Marine
- Geringes Gewicht
- Elfenbein
- robust (abriebsicher, belastbar, resistent gegenüber vielen Chemikalien, wärmebeständig)
- hohe Markenqualität von Sugatsune / LAMP®
Für weitere Maße und Details s. technische Zeichnung.
Die Abmessungen:
- Länge des Push-Knopf-Verschlusses: 40 mm (1-37/64″)
- Breite: 36 mm (1-27/64″)
- Tiefe: 15 mm (19/32″)
- Durchmesser des Druckknopfs: ⌀20,5 mm (13/16″)

Im Lieferumfang enthalten:
- 1 Stück Push-Knopf-Verschluss 140-060-016 aus robustem Polyamid, Elfenbein
- 1 Stück Schließblech
- 1 Stück Distanzring
- 1 Stück Druckknopf
- 6 Stück Pan-Head Spanplattenschraube 3 x 14 mm
Zusätzliche Informationen:
Referenznummer des Herstellers:
- Artikel Kennnummer: 140-060-016
- Artikelnummer: SL-B251-I
- EAN Nummer: 4510932059558
Hersteller: Sugatsune / LAMP® (Japan)







