Beschreibung
Versteckter Druckknopfriegel-Griff, aus robustem Polyacetal (POM), Oberfläche: weiß, AK-60WT und AK-C60WT
Anwendung:
Praktischer Sicherheitsriegel-Griff für Yacht-Innenausbau, Wohnmobil-Ausbau, Caravan-Möbel, Camper und vieles mehr.

Der Sicherheitsriegel-Griff AK-60WT dient zur sicheren Verriegelung von Klapp- und Drehtüren und verhindert ein unbeabsichtigtes Öffnen bei Erschütterungen.
Beim Schließen rastet der Mechanismus des Druckknopfriegel-Griffs AK-60WT automatisch ein und hält die Tür mit 196 N zuverlässig geschlossen.
Der Druckknopfriegel-Griff AK-60WT ist für Türstärken von 15 mm (19/32″) bis 25 mm (63/64″) geeignet.

Zum Öffnen reicht ein sanfter Druck auf den in die Türfront versenkten Druckknopf; Griffe oder Knöpfe entfallen, sodass eine glatte Optik erhalten bleibt.
Das Gehäuse aus robustem Polyacetal (POM) ist korrosionsbeständig und für den Möbel- und Yachtbereich geeignet.
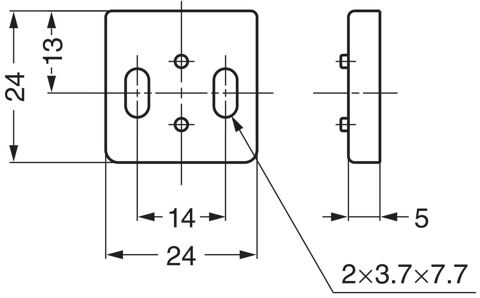
Die im Lieferumfang enthaltenen Distanzstücke ermöglichen eine Anpassung an unterschiedliche Plattenstärken.

Die ebenfalls im Lieferumfang enthaltene Abdeckkappe AK-C60WT kann bei Bedarf eingesetzt werden und verdeckt Schnittkanten sauber.
Somit kombiniert das Produkt Sicherheit, Bedienkomfort und ästhetische Zurückhaltung.
Die hochwertigen Druckknopfriegel-Griffe 140-050-215 und 140-050-213 passen unter anderem ideal zu:
- Wohnmobil
- Ladenbau
- Möbeltüren
- Klappen
- Schranktüren
- Küchenoberschränke
- Yacht-Innenausbau
- Wohnmobil-Ausbau
- Caravan-Möbel
- Camper
Material:
- Die Druckknopfriegel-Griffe 140-050-215 und 140-050-213 werden aus robustem Polyacetal (POM) hergestellt
- Polyacetal (POM) vereint eine sehr hohe Abrieb- und Verschleißfestigkeit mit einem geringen Reibungskoeffizienten, sodass Beschläge dauerhaft leichtgängig funktionieren
- Dank seiner hohen Dimensions- und Formstabilität selbst bei wechselnder Luftfeuchtigkeit bleibt die Passgenauigkeit von Scharnieren, Auszügen oder Verriegelungen erhalten
Oberfläche:
- Weiß
- Weiße Oberflächen vermitteln eine saubere und moderne Ästhetik
- Die Farbe Weiß reflektiert Licht effektiv, wodurch Räume heller und optisch größer wirken
- Zudem sind weiße Gegenstände unauffällig und lassen sich leicht reinigen, was sie besonders praktisch für den Alltag macht

Montage:

- Die Befestigung erfolgt mithilfe der sechs im Lieferumfang enthaltenen Schrauben (6 Stück Linsenkopfschrauben, selbstschneidend (2 Stück 3,5 x 15 mm, 2 Stück 3,5 x 20 mm und 2 Stück 4,0 x 15 mm))
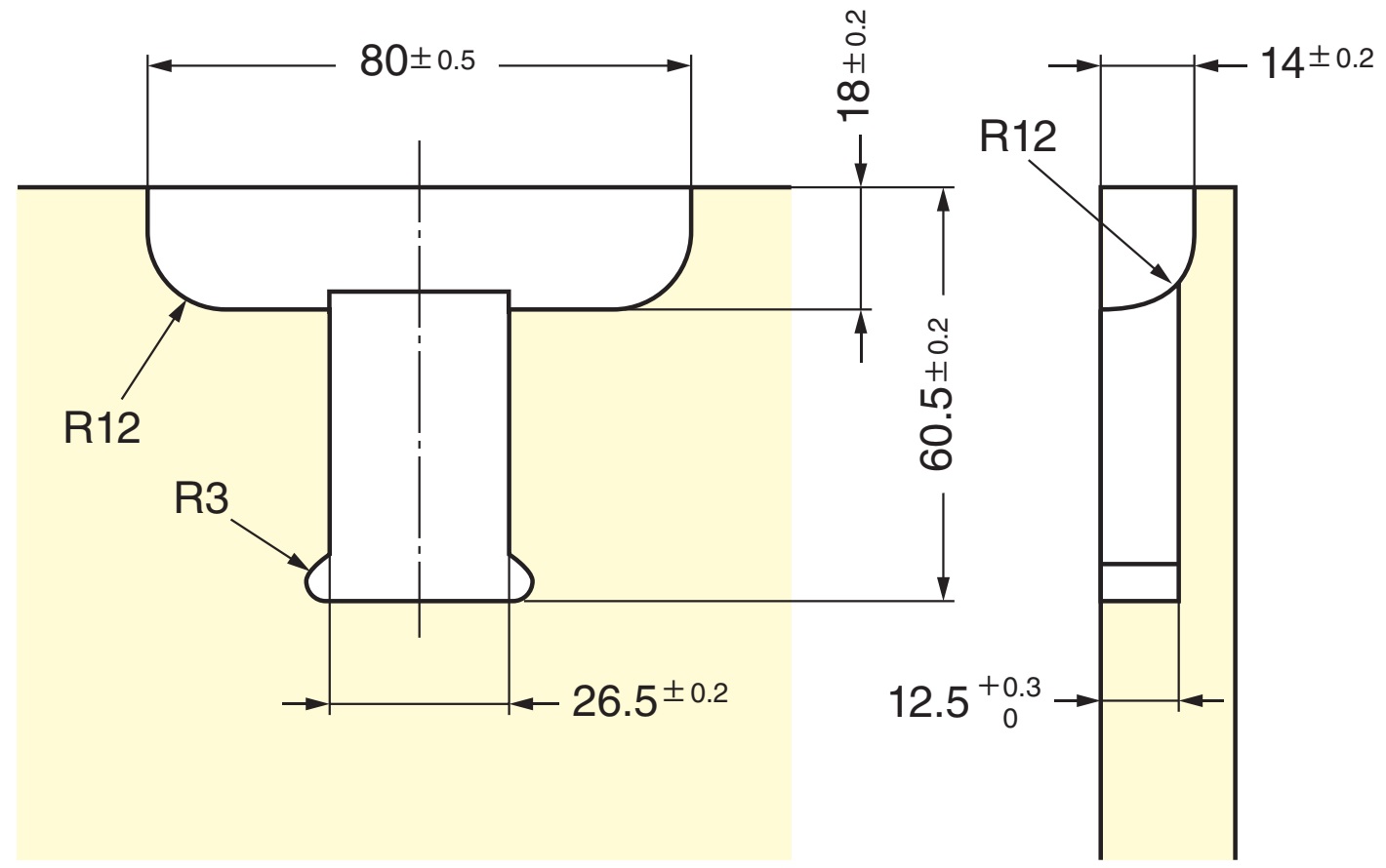
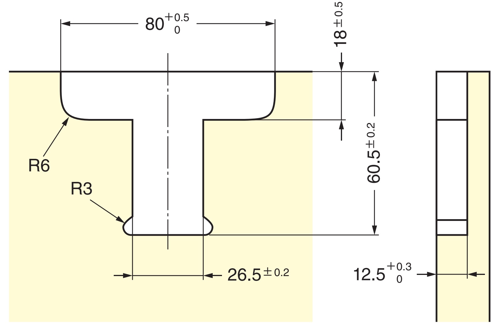
- Zuerst muss eine Ausfräsung an der Türinnenseite durchgeführt werden
- Der Druckknopfriegel wird bündig eingesetzt und mit Bindekopf-Blechschrauben 3,5 x 15 mm bzw. 3,5 x 20 mm verschraubt
- Die Gegenplatte wird im Korpus mit einem Achsabstand von 60,5 mm (2-3/8″) positioniert und festgeschraubt
- Bei Plattenstärken unter 25 mm (63/64″) werden die mitgelieferten Distanzplatten zwischengelegt
- Zum Schluss wird die Funktion geprüft, indem die Tür geschlossen und per Druck geöffnet wird (für weitere Details, s. Montagezeichnung)


Eigenschaften:
- Gewicht: 69 g
- Belastbarkeit (Tragkraft): 196 N (20 kp)
- Größe: 80 mm (3-5/32″)
- Lieferbar in Farben Weiß und Braun
- einfache Montage, praktisch, stabil
- Für aufliegende Türen
- Selbsteinrastender Push-Mechanismus
- Eingelassene Montage
- Hält Türen sicher geschlossen
- Für Türstärken von 15 mm (19/32″) bis 25 mm (63/64″)
- Für Türen mit maximaler Höher von 700 mm (27-9/16″)
- Für Türen mit maximaler Breite von 500 mm (19-11/16″)
- Geräuscharmes Öffnen durch Knopfdruck
- Inkl. Abdeckkappe
- Einfache Anpassung an unterschiedliche Türstärken
- Geeignet für Möbel, Fahrzeuge und Marine
- Geringes Gewicht
- weiß
- robust (leicht)
- hohe Markenqualität von Sugatsune / LAMP®
Die Abmessungen:
- Breite des Druckknopfriegel-Griffs: 50 mm (1-31/32″)
- Griffbreite: 80 mm (3-5/32″)
Für weitere Maße und Details s. technische Zeichnung.

Im Lieferumfang enthalten:
- 1 Stück Druckknopfriegel-Griff 140-050-215 und 140-050-213 aus robustem Polyacetal, weiß
- 1 Stück Abdeckkappe AK-C60WT
- 2 Stück Distanzplatte 5 mm für dünne Türen
- 1 Stück Schließblech
- 6 Stück Linsenkopfschrauben, selbstschneidend (2 Stück 3,5 x 15 mm, 2 Stück 3,5 x 20 mm und 2 Stück 4,0 x 15 mm)
Zusätzliche Informationen:
Referenznummer des Herstellers:
- Artikel Kennnummer: 140-050-215 und 140-050-213
- Artikelnummer: AK-60WT und AK-C60WT
- EAN Nummer: 4510932000369 und 4510932000352
Hersteller: Sugatsune / LAMP® (Japan)












